Modul LCD obrazovky pre kuchynskú elektronickú váhu
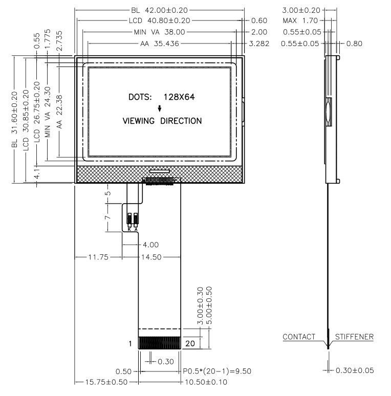
Modul LCD obrazovky je 128x64 bodov štandardnej veľkosti LCD pre ručné nástroje; ktorého rozmer je 42.{4}}x31,60mm a oblasť zobrazenia je 38,0x24,30 mm; Materiál DFSTN s ovládačom ST7567.
- Predstavenie výrobku
Detaily produktu
Modul LCD obrazovky je 128x64 bodov štandardnej veľkosti LCD pre ručné nástroje; ktorého rozmer je 42.{4}}x31,60mm a oblasť zobrazenia je 38,0x24,30 mm; Materiál DFSTN s ovládačom ST7567. Máme tri pozadia pre tento LCD, modré, čierne a sivé, a môžeme ich prispôsobiť podľa vašich požiadaviek vrátane veľkosti.
Špecifikácia



Proces vlastného LCD
Navrhnite výkres LCD: Náš inžinier navrhne výkres LCD podľa požiadaviek klientov, bude to trvať približne 1-3 dní.
Potvrďte výkres LCD: Po dokončení návrhu výkresu pošleme zákazníkovi na potvrdenie.
Výroba nástrojov a vzoriek: Keď zákazník potvrdí, že výkres je v poriadku, začneme s výrobou nástrojov a vzoriek, bude to trvať asi 15 až 30 dní. (Nezávisí od typu LCD)
Hromadná výroba: Keď dokončíme výrobu vzoriek, pošleme zákazníkovi 5 bezplatných vzoriek PCS na test; a ak sú vzorky v poriadku, začneme s hromadnou výrobou, ktorá bude trvať približne 30-40 dní.

Populárne Tagy: Modul LCD obrazovky pre kuchynskú elektronickú váhu, Čína, dodávatelia, továreň, prispôsobené, cenová ponuka, zľava na nákup, bezplatná vzorka, vyrobené v Číne











